常用电压范围:

    image.png

     

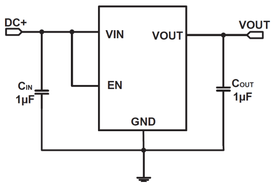
    典型应用电路:

    image.png

     

    常用封装:

    image.png

     

    输入电压 :1.8V - 5.5V

    输出电压 :1.2V - 5.0V

    输出电流 :300mA

    静态电流 :60uA

    信噪比 :70dB

    输入输出压差 :150mV

    封装:

    SOT-23-5L

    SC70-5L

    特点:高速、、、低压差、、、、低静态电流、、、高纹波抑制比

    站点地图