简述:

TX4211是一款固定频率恒定电流模式升压转换器,,该芯片适用于小型低功耗应用。。。。

芯片开关频率为1.2MHz,, 可以应用在小尺寸PCB、、、、低成本电容和电感。。。。

内部软启动,, 浪涌电流小可延长电池寿命。。。芯片具有轻载时自动切换到PWM模式。。

芯片具有欠压,,,,限流和过温保护,,,,以防止输出过载时损坏器件。。

芯片采用SOT23-6封装。。。。

 

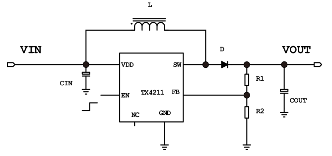
典型应用:

image.png

封装:

image.png

输入电压 :2V - 24V

输出电压 :ADJ

输入峰值电流 :2A

静态电流 :100uA

开关频率:固定 1.2MHz

驱动方式:内置MOS

整流方式:异步整流

封装:SOT-23-6

站点地图