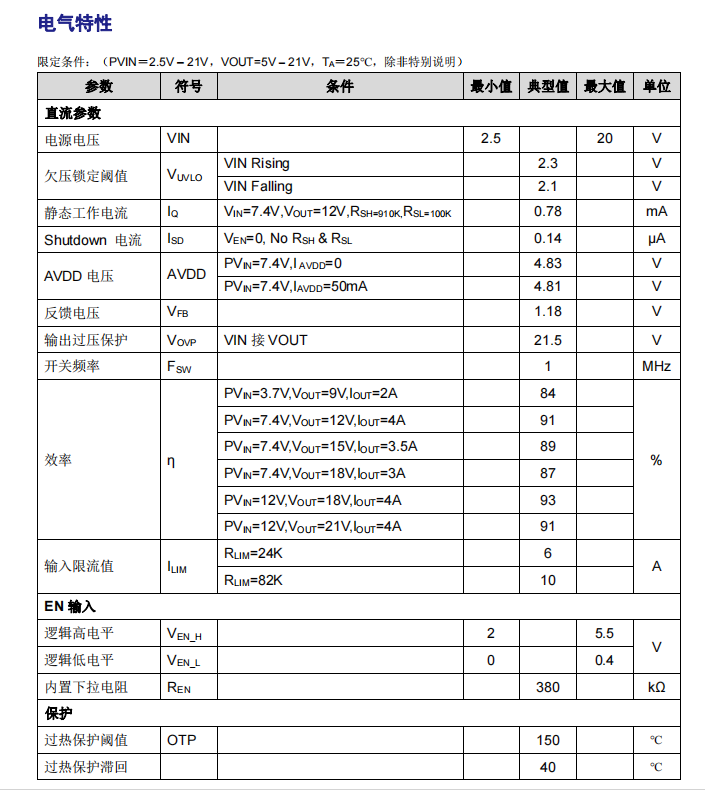
输入电压范围:2.5V 20V
输入限流可调,,最大 12A
输出电压可调,,,最高升压 21V
高转换效率:
91%PVIN=12V,,,VOUT=21V,,,,IOUT=4A
93%PVIN=12V,,VOUT=18V,,,IOUT=4A
87%PVIN=7.4V,,VOUT=18V,,IOUT=3A
91%PVIN=7.4V,,,,VOUT=12V,,,,IOUT=4A
开关频率:1MHz
低静态电流,,,低关断电流
内置过热保护,,,,逐周期过流保护,,,输出过压保护(VIN VOUT 供电时)
无铅无卤封装,,,,ESOP8

USB Type-C 供电相关应用

 

 

 

 

 

 

 

 

 

 

 

 

 

 

 

 

 

 

 

站点地图