• TX6128是一款开关降压型LED恒流驱动芯片
    TX6128内置100V功率 MOS 芯片采用固定关断时间的峰值电流控制方式,,关断时间可通过外部电容进行调节,,,,工作频率可根据用户要求而改变。。

    芯片通过调节外置的电流采样电阻,,,能控制高亮度LED灯的驱动电流,,使 LED 灯亮度达到预期恒定亮度。。。。

    在DIM端加PWM信号,,可以进行LED灯调光。。。DIM端同时支持线性调光。。。。

    芯片内部还集成了 VDD 稳压管以及过温保护电路等,,减少外围元件并提高系统可靠性,,,散热片内置接 SW 脚。。。

    芯片采用 ESOP-8 封装。。

    TX6128是一款开关降压型 LED 恒流驱动芯片
    输入电压:3.6-100V
    输出电压:9V
    输出电流:1.2A
    工作频率:最大1MHz
    转换效率:93%
    芯片封装:ESOP-8


     

    TX6128是一款开关降压型 LED 恒流驱动芯片
    自行车、、电动车、、、摩托车
    手电筒
    LED照明
    LED背光

     

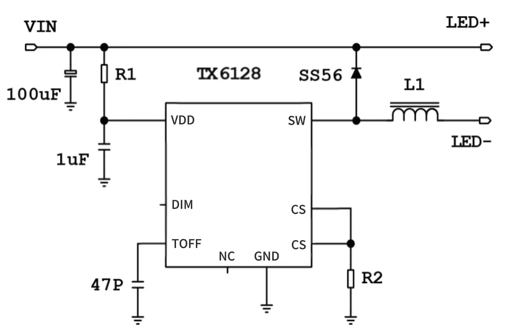
    TX6128 DEMO板 应用原理图



    TX6128 DEMO板 PCB图



    TX6128 输出电流计算器

    站点地图