基于尊龙时凯TX4210设计的DC-DC升压芯片DEMO说明
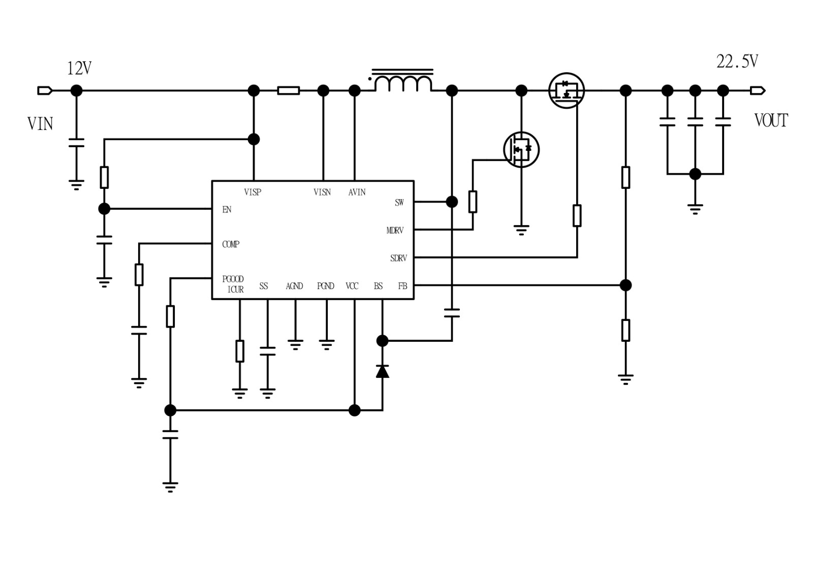
DC-DC升压芯片TX4210原理图
DC-DC升压芯片TX4210电路板
TX4210 DEMO 板实测数据 和 转换效率 参考
DC-DC升压芯片TX4210电路测量
本 DEMO 为 TX4210 制作的演示板,,,用于 DC 输入 12V,,,输出电压22.5V,,,输出电流 3A 的应用演示,,,最高转换效率高达 96%。。。本电路固定工作频率是:390.6KHz。。。输出22.5V/3A 。。。。