尊龙时凯电源管理芯片TX4221设计的DC-DC升压恒压芯片DEMO说明

来源:尊龙时凯 时间:2022-05-20

尊龙时凯电源管理芯片TX4221设计的DC-DC升压恒压芯片DEMO说明

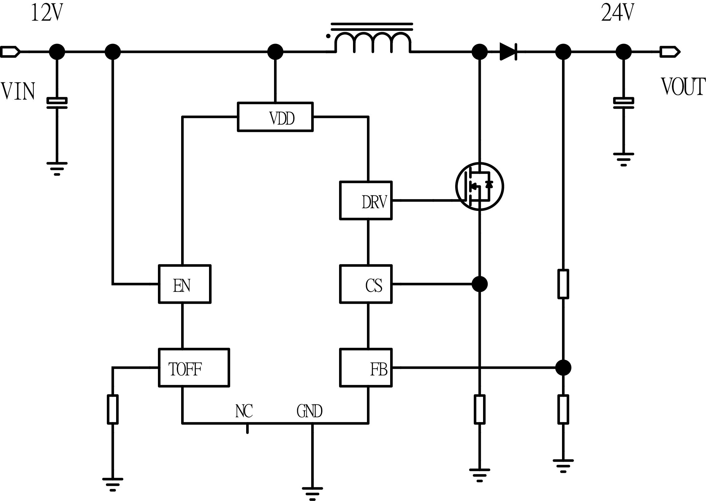
电源管理芯片TX4221原理图

电源管理芯片TX4221原理图

 

电源管理芯片TX4221电路板

电源管理芯片TX4221电路板

 

DC-DC芯片TX4221数据测量

DC-DC芯片TX4221数据测量

TX4221 DEMO 板实测数据 和 转换效率 参考

TX4221 DEMO 板实测数据 和 转换效率 参考

 

    本 DEMO 为 DC-DC芯片TX4221 制作的演示板,,,电源管理芯片TX4221用于 DC 输入 12-22V,,输出电压24V,,, 输出电流 2.5A 的应用演示,,,,最高转换效率高达 98%。。。。 本电路固定工作频率是:115.7 KHz。。。。输出 24V/2.5A ,,,,输出电压可调。。。。

站点地图