基于尊龙时凯TX6121DC-DC恒流芯片设计的LED降压恒流驱动DEMO说明
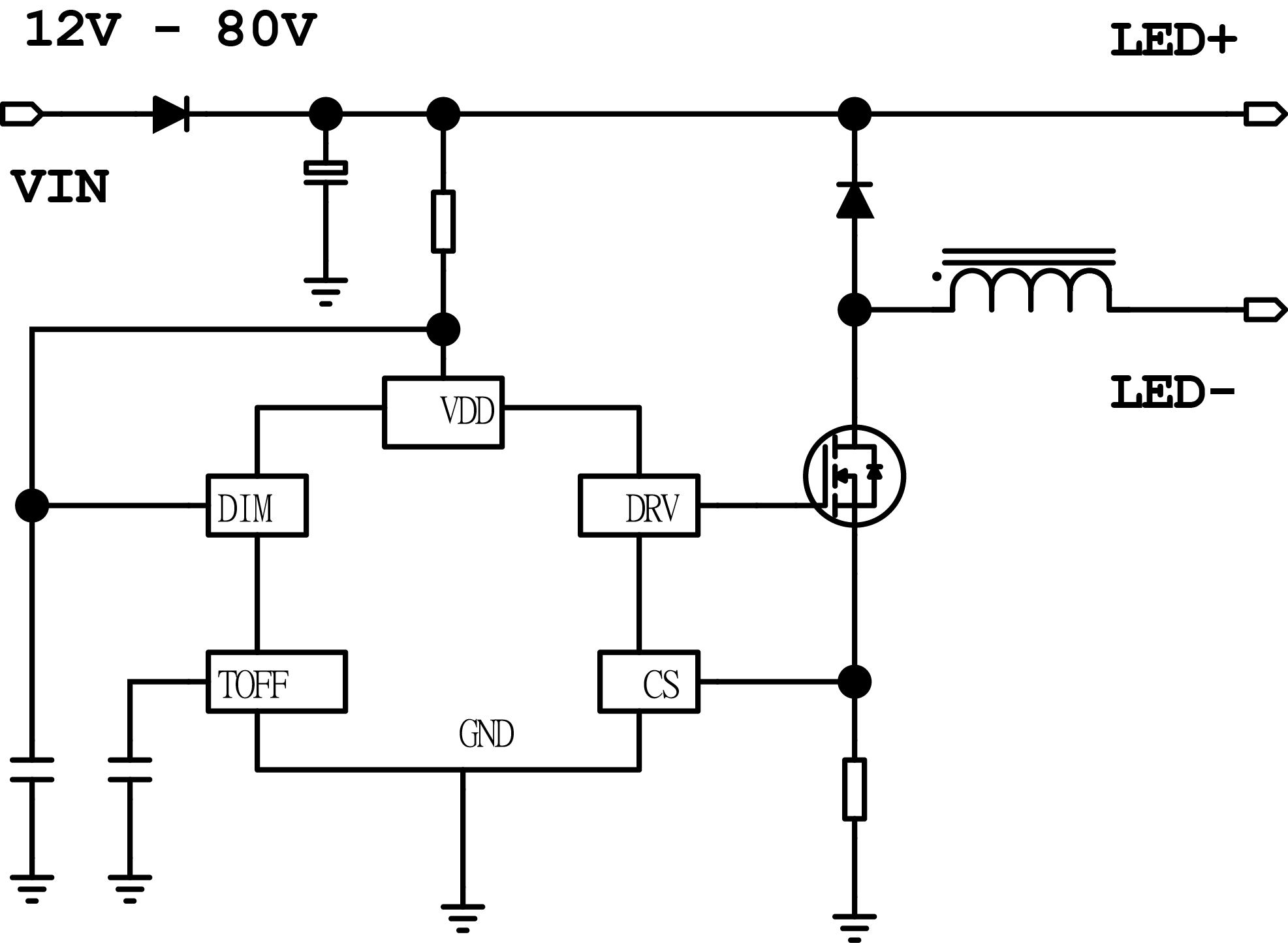
LED恒流驱动芯片TX6121DEMO原理图
LED恒流驱动芯片TX6121DEMO电路板
TX6121 DEMO 板实测数
TX6121 DEMO 板实测数据 和 转换效率 参考
基本描述:
本 DEMO 为 LED恒流芯片TX6121制作的演示板,,,,用于 DC 输入 12-80V,,输出电压9V,,,输出恒流 2.7A 的应用演示,,,最高转换效率高达 90%。。
本电路固定工作频率是:36.76-183.8 KHz。。输出 9V/2.7A ,,,,输出电流可调。。。